Waverly F-style Mandolin Machines with Dark Tortoise Knobs
Waverly tuners feature ultra-smooth operation and precise, reliable tuning. They’re built to look beautiful and last a lifetime. These are simply the finest mandolin tuning machines available anywhere!
Our uncompromising tuner design features patented threaded worm tension bushings that eliminate looseness for maximum tuning efficiency. The precision-machined stainless steel worm gears, bronze alloy string post gears, and 16:1 gear ratio assure smooth, accurate tuning.
Each handsome engraved baseplate is CNC machined from a single brass billet, for lighter weight and unwavering stability.
Our specially blended dark tortoise knob material looks amazingly like protected hawksbill turtle shell—light passes through to show the incredible depth of color.
Built with the finest materials
- Solid brass baseplates
- Precision CNC machined baseplates for perfect alignment
- Stainless steel worm gear
- Knurled brass round press-fit bushings
- Vintage-style slot head screws
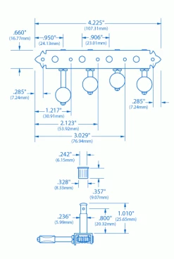
Specifications
- Standard spacing measures 29/32″ (23.01mm) between each string post
- String post diameter: 15/64” (5.93mm)
- Required peghole diameter: 21/64 (8.33)
- Modern 16:1 gear ratio
- Dark tortoise knobs
- Mounting hardware included
- Set of two plates: 4-left/4-right tuners
Installation tips
Use a jig for perfect alignment
Plate-mounted tuners can’t work efficiently if the pegholes are improperly drilled. Our Mandolin Drill Jig ensures precise 29/32″ spacing for accurate alignment.
Counterbore for a perfect fit
Use our slow-speed #2061 Peghead Bushing Reamer (0.328″ diameter) to cut a clean, accurate counterbore for a professional job.
Drill pilot holes for mounting screws
Installing delicate screws into hard wood requires great care and accuracy. We highly recommend the #1712 Depth-stop Drill Bit (5/64″ bit) for the pilot hole before installing these screws. Lubricate the screw threads with cutting lubricant (also wax or a bar of soap) to reduce friction and help them thread properly.
Performing artists stay in tune with Waverly:
“Simply the best you can get.” — David Grisman
“The best tuners in the world.” — Chris Thile
“They have changed my life.” — Sam Bush
“The frequent need for retuning during a show is gone.” — Ronnie McCoury
“I love Waverly tuners. The keys move with ease and hold strong, two important qualities we must have to perform night after night. I have Waverly tuners on all my mandolins. I wouldn’t want to use anything else. They are the best!” — Rhonda Vincent


















Reviews
There are no reviews yet.